Sklep

Prowadnice do bram segmentowych garażowych

Nr Art.: 215095

Łuk R=305 1,8mm

Cena detaliczna (brutto)
240,00  /
na stanie
Nr Art.: 22901-3461

Prowadnica 1,5mm pozioma z małym łuczkiem L= 3461mm, wys.bramy 3000mm

Cena detaliczna (brutto)
320,00  / para
oczekiwanie na dostawę
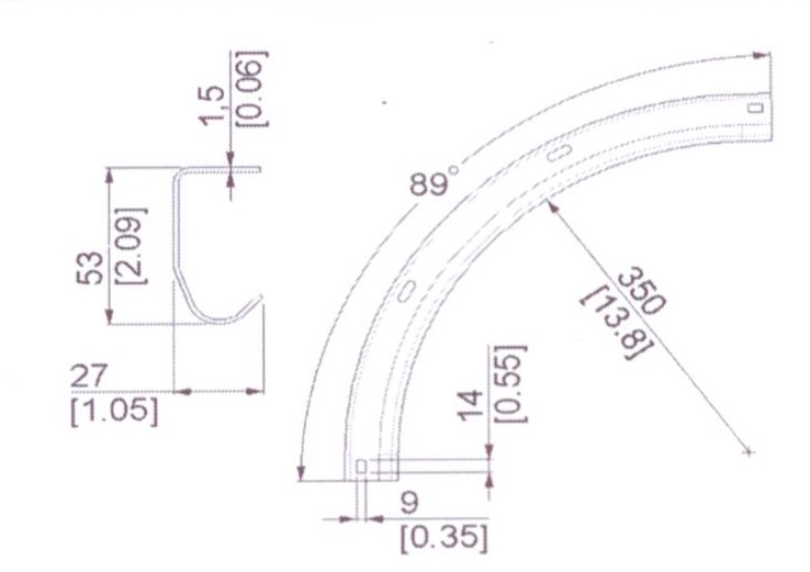
Nr Art.: 213014

eRSX łuk 350 grubość 1,5 mm

Cena detaliczna (brutto)
45,00  / szt.
na stanie
Nr Art.: 198514

Uchwyt prowadnic poziomych

Cena detaliczna (brutto)
6,70  / szt.
na stanie
Nr Art.: 20500.1

Prowadnica prosta 1,5mm L 5000mm

Cena detaliczna (brutto)
185,00  / szt.
na stanie
Nr Art.: 20600.1

Prowadnica prosta 1,5mm L 6000mm

Cena detaliczna (brutto)
220,00  / szt.
na stanie